Cub Cadet 2X 26" HP (31AM5CVS756) Cub Cadet 2X 26" HP Snow Thrower
Cub Cadet 2X 26" HP (31AM5CVS756) Cub Cadet 2X 26" HP Snow Thrower
Cub Cadet 2x Snow Blower Parts Diagram. Cub Cadet 2X 526 SWE (31AH56TS710) Cub Cadet 2X 26" SWE Snow Thrower Choose from the 1X, 2X, or 3X series, and they'll all deliver a powerful, innovative strength in a compact design Shop By Tool Type; Shop By Brand; Power Tool Parts; Lawn Equipment Parts
Cub Cadet Snowblower Parts Diagrams from mechanicbloodlines.z14.web.core.windows.net
243cc OHV Engine is powerful, dependable and equipped with push-button electric start. Buy Cub Cadet Parts Online & Save! Parts Hotline: 877-260-3528
Cub Cadet Snowblower Parts Diagrams
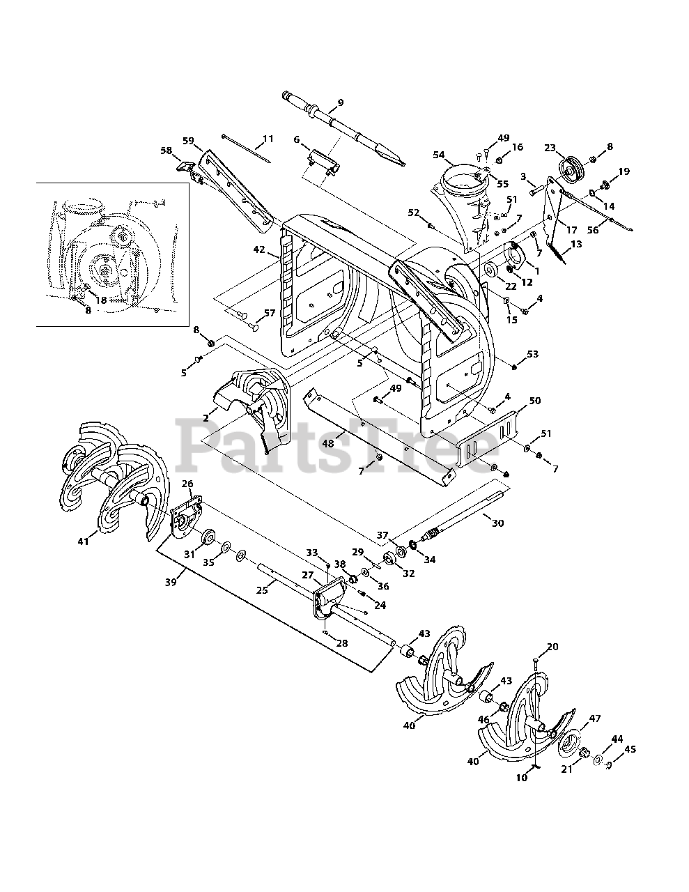
When examining the individual components, it's essential to understand how they interact with one another to ensure smooth performance. Buy Cub Cadet Parts Online & Save! Parts Hotline: 877-260-3528 Repair parts and diagrams for 2X 30 MAX (31AH8DVS710) - Cub Cadet 2X 30" Snow Thrower (2020)
Cub Cadet 2X 30 MAX (31AH8DVS710) Cub Cadet 2X 30" Snow Thrower (2020. Add to cart when you're ready to purchase and we'll ship it to you as soon as possible! From the engine, auger, and chute to the handles, belts, and wheels, the diagram breaks down the machine into individual components, making it easier to locate and replace specific parts when needed.
Cub Cadet 2X 528 SWE (31AH54TT756) Cub Cadet 2X 28" SWE Snow Thrower. 2X 30 MAX (31AH8DVS710) - Cub Cadet 2X 30" Snow Thrower (2020) > Parts Diagrams (26) .Extended Warranty Option.Quick Reference Understanding Cub Cadet 2X Snow Blower Components Every piece of machinery is designed with specific functions in mind, and recognizing the role of each element is vital for effective operation